Skip to content

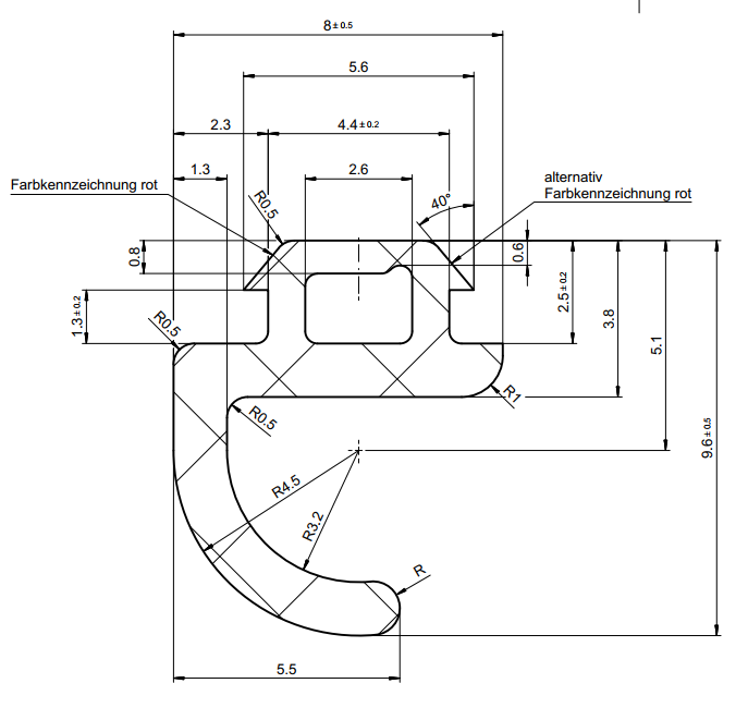
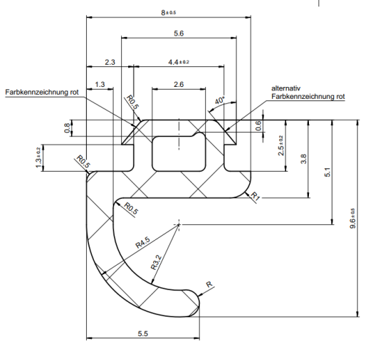
loga gumija Anschlagdichtung 10

224070

Sākot no €118.68

count

Par preci

Rullis 200 metri